020-40987717
联系我们
电话:020-40987717
传真:+86-123-4567
邮箱:admin@youweb.com
手机:13800000000
地址:广东省广州市天河区88号
第二系列您当前的位置: 首页 > 产品中心 > 第二系列

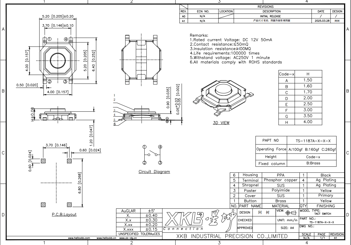
50万次寿命的转轴按键:星坤TS-1187A为工业设备提供终极触控方案!

更新时间:2025-10-19 08:50:45

  当工业设备在粉尘弥漫的车间持续轰鸣,当医疗手持器械经历千百次消毒液冲刷,当智能穿戴设备承受每日高频操作——开关寿命成为决定产品价值的隐形分水岭。星坤控股全新推出的TS-1187A-X-X-X系列轻触开关,以50万次超长寿命为核心突破,融合全金属密封结构与0.9mm极限超薄设计,为高端工业与消费电子设备铸造永不失效的触控神经。

  在传统轻触开关普遍停留于10万次寿命的行业现状下,TS-1187A系列的50万次机械寿命堪称降维打击:

  通过-40℃~85℃高低温冲击测试与百万次电气连续性验证,寿命不因环境波动缩水

  工业价值诠释:对于自动化产线控制面板、车载中控系统等高频使用场景,50万次寿命意味着设备服役期内零维护成本,避免因开关故障导致的产线停机损失。

  告别传统塑胶的物理局限,TS-1187A系列将面板与按钮以致密金属全覆盖。这层金属“铠甲”带来的不仅是视觉上的高级质感,更实现了双重防护革命:

  密封性跃升:金属与基材的精密咬合形成物理屏障,有效隔绝粉尘、湿气及腐蚀性介质的侵蚀,特别适应工业车间、医疗设备等高要求环境。

  耐磨性蜕变:金属按钮表面硬度远超塑胶,即使经历数万次高频按压,表面依然光洁如新,彻底避免塑胶易磨损、脱色导致的功能与美观双重衰退。

  当电路板空间寸土寸金,开关体积成为制约设计的关键瓶颈。TS-1187A系列以**革命性的0.9mm主体高度**突破轻触开关的纤薄极限:

  完美融入TWS耳机充电仓、超薄智能手表、内窥镜手柄、微型传感器等对厚度有严苛要求的尖端设备内部,成为隐形却强大的“空间魔术师”。

  按压力度梯度细分:提供从轻盈到明确的多种按压力度选项,满足医疗设备防误触的轻柔需求,或工业仪器强调确认感的重压偏好。

  按柄高度灵活可选:适应不同面板厚度与操作习惯,确保手感一致性,为设计师提供更广阔的适配空间。

  环保先行:全部材料严格符合RoHS、REACH等全球核心环保指令,确保产品从诞生到回收全程绿色无害。

  结构可靠:精密设计与稳固结构保障电气性能稳定,无惧振动与冲击,为各类设备提供值得信赖的“指尖枢纽”。

  消费电子领域:在折叠屏手机转轴按键、超薄笔记本电源键、高端耳机控制区中,TS-1187A以金属质感与纤薄特性提升产品高级感与可靠性。

  工业自动化场景:在精密仪器控制面板、户外通信设备、车载中控系统中,其卓越密封性、抗腐蚀性和10万次寿命成为稳定运行的基石。

  新兴科技载体:可穿戴设备、医疗手持器械、IoT传感器等空间敏感型产品,更依赖其0.9mm高度带来的**极致空间释放能力。

  当指尖在超薄金属按钮上完成第50万次按压,开关仍以清脆的咔嗒声回应——这不仅是元件的胜利,更是对精密制造边界的重新丈量。在设备微型化与耐用性双重进化的道路上,星坤用TS-1187A系列刻下新的坐标:寿命,从此以半百万为计量单位。

【返回列表】
网站首页 关于我们 产品中心 新闻资讯 成功案例 礼品知识 客户留言 人才招聘 联系我们
地址:广东省广州市天河区88号    电话:020-40987717    传真:+86-123-4567
Copyright © 2024-2026  欢迎莅临!皇家金堡娱乐城有限公司 版权所有 非商用版本   ICP备案编号:粤ICP备68763730